Flansche
in HS qualität
Als Fittings-Spezialist bieten wir auch Lösungen zum Verschweißen von Stahlrohren an.
Daher produzieren und vertreiben wir Rohrbogen und Schweißfittings seit mehreren Jahrzehnten. Profitieren Sie von einem umfangreichen Sortiment ab Lager Essen. Die Artikel werden nach EN DIN 10253 gefertigt. Neben Rohrbögen haben wir T-Stücke, Reduzierungen und Klöpperböden eingelagert.
Alle Modelle stehen in verschiedenen Abmessungen und Materialstärken zur Verfügung.
HS Qualität zum Schweißen – Ihr Partner für Industrie, Handel und Handwerk

Ihre Vorteile
Unser Sortiment
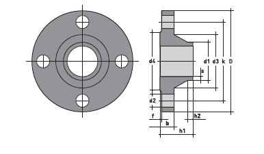
Wir bieten Ihnen ein umfassendes Sortiment verschiedener Stahlflanschen, die gemäß EN 1092-1/ DIN gefertigt werden. Alle Modelle stehen in verschiedenen Abmessungen und Materialstärken zur Verfügung:
Übersicht Lagersortiment
| Beschreibung | Flanschtyp nach der DIN EN 1092-1 |
Nenndruckstufe | Abmessung | Werkstoff C-Stahl | Werkstoff Edelstahl |
|---|---|---|---|---|---|
| Blindflansche | Typ 05 | PN 6-40 | DN 15 – 200 | C 22.8, P 250 GH, S 235 JR |
|
| Gewindeflansche mit Ansatz | Typ 13 | PN 6-40 | DN 15 – 100 | C 22.8, P 250 GH, S 235 JR |
V4A / 1.4571 |
| Glatter Flansch zum Schweißen |
Typ 01 | PN 10-40 | DN 15 – 400 | C 22.8, P 250 GH | |
| Vorschweißflansche | Typ 11 | PN 6-40 | DN 15 – 300 | C 22,8, P 250 GH, S 235 JR |
V4A / 1.4571 |
Werkstoff C-Stahl: Geschmiedeter Stahl
Verwendung: Rohrleitungsbau, Bauindustrie, Maschinenbau
Werkstoff Edelstahl: Nichtrostender, austenitischer Stahl
Verwendung: Chemische u. pharmazeutische Industrie, Rohrleitungsbau, Lebensmittelindustrie, Bauindustrie, Maschinenbau, Schiffbau
Zeugnis: Auf Wunsch kann der Lieferung ein 3.1 Zeugnis beigefügt werden. Bitte bei einem Auftrag als Extraposition mitbestellen.





